Expeditions/Research
When working on this project, I quickly realized I had to go out and get a feel for what the materials of this mysterious VLBI is. The Mapping Authority has an antenna in Ny-Ålesund (Svalbard) and I went there to learn more about VLBI, the signal from the stars and how it is used.
As Svalbard is such a spectacular site, I have made some extra documentation of the trip there.
Observation antennas in the arctic contribute greatly to the worldwide VLBI network, both due to high visibility (more visible stars, and they stay up longer) and due to the extremely clean and noise free environmental conditions. During this research trip I’ve been warmly welcomed and helped by the crew in Ny-Ålesund led by Moritz Sieber.
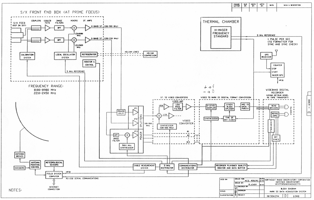
Schematics for the antenna, from which I did understand how the frequency shifting is done (Good old Amplitude Modulation)
In Ny-Ålesund, I learned that the data from their antenna was sent to Bonn for correlation. So I followed the data, and went to the Max Planck Institute for Radio Astronomy in Bonn. I needed to see where all the observation data was sent and how it was processed in the correlator. At the MPIFR I was taken good care of by astronomers Allessandra Bertarini and Alan Roy. They very gently introduced me to the complex techniques used in processing the data. Admittedly, my brain was boiling during the first afternoon there, but eventually it seems I came to grips with some of the techniques involved. Allessandra and Alan has provided me with data, algorithms and programs in addition to sharing their knowledge.



