MICHELLE VERVAELE & FLEUR TROSSAERT
TITEL: Rijkdom van afval
HASHTAGS: #materialiteit #inzicht #recycle #Valentijn
OCEANS OF CARE (II)
as an intense field of inspiration by our Lab-O work, these oceans are free-moving currents of care, energy and potententiality for positionings in architecture. let's wave, diffract, distract connections between ourselves and the world.
JULIE LENAERTS & LOTTE ENGELBORGHS
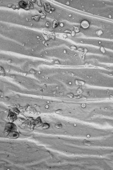
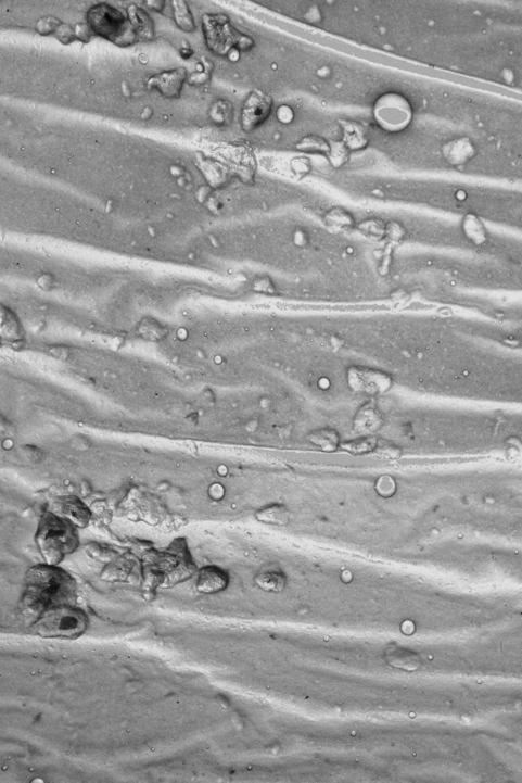
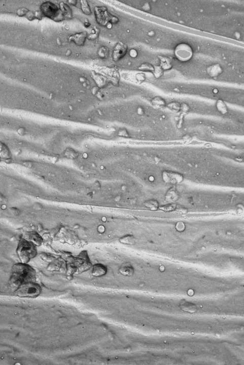
TITEL: Reflection, projection and deformation
HASHTAGS: #reflection #projection #bioplastic #Valentijn
ALICE VAN HEUVERSWYN & LIEKE VANDECANDELAERE
TITEL: Achtervolgwerk
HASHTAGS: #observatie #audio #publiekeruimte #Valentijn
ALICE VAN HEUVERSWYN & LIEKE VANDECANDELAERE
TITEL: Achtervolgwerk
HASHTAGS: #observatie #audio #publiekeruimte #Valentijn
FAUVE VAN DE VELDE & HANH TRINH
TITEL: Postbuspotentie
HASHTAGS: #postbusmedia #krant #renomee #Valentijn
The invisible re-designed
Alledaagse huishoudelijke apparaten zijn gestript van hun herkenbaar design.
Hun hoofdfunctie blijft intact en komt in een nieuw daglicht te staan.
We willen mensen er van bewust maken dat deze objecten,
vol kennis en evolutie, ook een deel uitmaken van het leven.
Wat gebeurt er als het design als omhulling wegvalt?
Welke nieuwe functie, rol en betekenis krijgen deze apparaten zonder hun omhulsel?
En wat als we ook in architectuur zouden durven het onzichtbare te re-designen?
Kunnen we leven zonder afwerkingslagen ?
En, welke nieuwe uitdagingen stelt invisible re-designed aan de ontwerper?
PIETER REYNAERT & STIJN OEYEN
TITEL: IMPACTSTILTE
HASHTAGS: #Impact #Zorgvuldig #Actie #Annelies
WEBSITE : https://stijnoeyen.wixsite.com/positioneren
De Impactstilte als de ruimte voor het object.
// Heeft architectuur/object/element ruimte nodig om (volledig) gewaardeerd te worden? Is architectuur een opeenvolging van object-object, of een sequentie van object-ruimte/impact-stilte //
Met behulp van een specifiek ontworpen object kan de impact telkens zorgvuldig uitgevoerd worden.
Deze rugzak bevat alle elementen om een impact telkens op een gecontroleerde manier uit te voeren. De vormgeving van het object wordt bepaald door de samenwerking tussen individuele elementen en de daarbij horende actie.
De donkere kamer, verlicht door een lamp, creëert een intieme sfeer en legt de nadruk op de performance. De toenemende druk van het geluidsfragment zorgt voor een opbouwende spanning. Deze elementen vormen het startpunt voor de impactstilte.
FIEN DE VOS & JOLAN DE MAEYER
Spiegelwolk
Wij nodigen jou uit in onze installatie,
in onze eigen realiteit als laag bovenop de werkelijkheid.
Wij capteren, projecteren en fragmenteren
doorheen bezoeker, ruimte, camera, beamer en spiegel.
Een werkelijkheid omgezet naar realiteit, één van onze dagdagelijkse processen.
Er gebeurt een fragmentatie, je kijkt doorheen een spiegelwolk.
Wij creëren een wereld in een wereld die veilig is en functioneert.
Niet volledig, niet allesomvattend, gefragmenteerd.
Het menselijk lichaam beweegt doorheen de ruimte en ontdekt zichzelf doorheen de fragmentatie.
We gaan in de ruimte op zoek naar onszelf, naar onze voeten, onze handen, ons gezicht.
We worden ons bewust van ons eigen lichaam in de ruimte.
De limieten van de ruimte worden getest en bespeeld door de ruimte in de ruimte.
Het dialoog tussen jou en de ruimte wordt gecapteerd, doorgegeven en blootgelegd.
Een spel tussen jou en de ruimte.
#camerabeamerspiegelruimtemens #captatieprojectiereflectie #Annelies
LYNN ALLEMAN & NOOR NAESENS
KAMER – KADER
is een nieuwe kamer gecreëerd als bril op het lichaam van de toeschouwer. De focus van deze nieuwe kamer ligt op de perceptie van ruimte in relatie tot het bewegende lichaam.
Met KAMER – KADER stellen de grenzen van de kamer zowel fysiek (hoe we de kamer maken) en mentaal (hoe we de kamer denken) in vraag. De veranderlijke relaties tussen kleur, licht, spiegeling, lichamelijke beweging, perceptie en omgeving zijn onze ruimtelijke ‘bouwstenen’. Deze bril stelt ook de relatie tussen de toeschouwer en de kamer in vraag.
Hiermee bewegen we ons als ontwerpers in de richting van Merleau Ponty’s fenomenologie en het Japanse begrip MA (tussenruimte). De onderliggende vraag die daaruit naar voor komt is: hoe kunnen we als ontwerpers het eigen lichaam, dat steeds in relatie staat tot een omgeving, tot permanente en fundamentele voorwaarde voor ruimtelijke ervaring omarmen?
Hoe zou het wonen, de kamer fysiek en mentaal door de KAMER – KADER in nieuwe schijnwerpers kunnen worden gesteld?
Noor Naessens & Lynn Alleman
Positioneren II
17/05/2021
JULIE DENIS, SILKE HESPEELS, MARIEKE SCHOONJANS
#ruimte #techniek #lagen #breg #poëtischetechniek
https://nl.padlet.com/Juliedenis/g6w1vt5ffj2pjwox
FEBE SEGHERS & HANNE DELBEKE
Antimiteit
we kozen een publieke bank uit deze bank deelden we op in 3 middelste plek het zitgedeelte.
De regelgeving door het Virus weegt steeds zwaarder op ons we probeerden mentale pijn zichtbaar te maken
in het straatbeeld de eenzame zitplaats representeert het gebrek aan
intimiteit en
nauw contact
dat we nu ervaren.
Een omgeving waar geen ruimte meer is voor
spontane intimiteit
antimiteit
SHINING THROUGH
Julie Lenaerts & Lotte Engelborghs
#Biologicaltexture#organicaltexture#honestofmaterials#projectionandtransluscense#Valentijn
Gaëtan van Beversluys, Artuur Herman, Hannes Torrekens
https://www.instagram.com/arch_perfect_imperfections/
https://storytellingghent7.wixsite.com/imperfections
#perfect #imperfections #handleiding #gebouwde omgeving #idealistische wereld #manier van kijken #breg
Lomme De Boeck, Marie De Geetere en Remmelt De Rauw
Proces: https://www.instagram.com/makingofaprint2.0/?hl=nl
In OntMoeting
De Bourgoyen biedt meer mogelijkheden van gebruik dan de doorgaanse activiteiten die we vaak associëren met een recreatiedomein. Is het mogelijk deze alternatieve vormen van gebruik van de plaats te gaan stimuleren, in gang zetten, een aanzet te maken ..? Onderhoud en stormen zorgen er voor dat een grote hoeveelheid fijn hout op de bodem terecht komt die er meestal ongebruikt achterblijft. De takjes bleken na wat testen ideaal om huisgemaakte houtskool van de maken. We komen wekelijks takjes rapen om houtskool mee te maken, met deze houtskool tekenen we vervolgens samen met iedereen die wil en tijd heeft in de publieke ruimte, niets moet. Op deze manier stimuleren we een toenemend bewustzijn van alternatief gebruik van plaatsen. En hoe deze waardevolle ontmoetingen tussen deelnemers, en deelnemers en plaats kunnen verwezenlijken. Alternatief gebruik als een gebeuren van niet moeten, van ont‐moeten. Architectuur kan door zijn functionaliteit soms dwingend zijn, we willen ‘het moeten’ ervan onttrekken, niets moet.
Jens Allard & Andrijs Arnout



























































































